|离子色谱-脉冲安培法测定三羟甲基氨基甲烷(Tris)含量

文章图片

文章图片
三羟甲基氨基甲烷(Tris) , 又名氨基丁三醇 , 生产过程中常用于调节酸碱平衡 , 生物化学和分子生物实验中缓冲液的制备 , 医药中间体等 , 目前检测Tris的主要方法有分光光度法、高效液相色谱法、离子色谱-电导检测器法等 。
但一些药物产品中含有蛋白质甘氨酸钠离子等辅料的情况下 , 测定Tris使用上述方法就会有干扰因素操作复杂等问题出现 。 微源检测实验室利用实验室条件 , 查阅文献资料试验了离子色谱-脉冲安培测定法并验证了方法的专属性、线性、及准确性 。
精密称取三羟甲基氨基甲烷(Tris)100mg置于容量瓶中 , 用蒸馏水溶解混匀后定容 , 将三羟甲基氨基甲烷(Tris)溶液浓度调整至10mmol/L 。 再精密吸取100、200、400、600、800μL分别置于100mL容量瓶中 , 用蒸馏水溶解混匀后定容 , 配制成0.01、0.02、0.04、0.06、0.08mmol/L的三羟甲基氨基甲烷(Tris)对照品溶液 。
【|离子色谱-脉冲安培法测定三羟甲基氨基甲烷(Tris)含量】这里的供试品以冻干人凝血酶(Thrombin)为例 。 供试品Thrombin溶液按照标示注射用水复溶 。 供试品人凝血因子Ⅷ溶液按照标示注射用水复溶 , 此溶液含约的甘氨酸、钠离子、蛋白质及其他物质 。
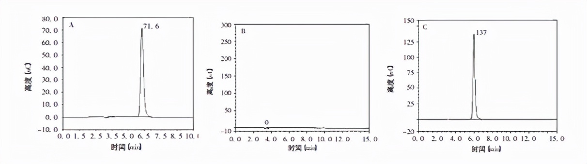
专属性:取0.01mmol/L的三羟甲基氨基甲烷(Tris)对照品溶液、供试品人凝血因子Ⅷ溶液(经稀释)及供试品Thrombin溶液(经稀释) , 按照表格色谱条件进样检测 , 色谱图如下所示:
线性范围:取0.01、0.02、0.04、0.06、0.08mmol/L的三羟甲基氨基甲烷(Tris)对照品溶液 , 以Tris对照品浓度为横坐标 , 峰面积为纵坐标 , 表格所示色谱条件分别进样测定检测结果表明 , Tris的保留时间为6.0min , 相关系数(R2)>0.99 。
利用离子色谱-脉冲安培法进行的专属性、线性验证 , 得出结论为该方法检测三羟甲基氨基甲烷含量 , 供试品中甘氨酸、钠离子等物质对Tris的测定没有过程干扰 , 专属性好 , 呈现出良好的线性关系 , 可用做三羟甲基氨基甲烷(Tris)含量测定的方法 。
- 良渚古城|高分子材料巧用等离子体表面处理技术可增强胶粘性。
- 象牙|高分子聚氨酯合成材料如何借助等离子表面处理机,提升附着力呢?
- |等离子体对金属材料进行表面改性,能否提高其耐磨性?
- 等离子体|科学家们深入了解了地球上物质最极端的状态之一
- 脉冲星|脉冲星有着极强磁场以及极快的自传速度!
- 月亮|为什么plasma等离子清洗机可以将聚合物分解,形成自由基?
- 达古冰川|离子发动机新突破!碘动力航天器完成在轨测试,成本降低百倍不止
- 等离子|等离子是什么?等离子清洗机的优点有哪些?
- 等离子体|电感耦合等离子体质谱ICP-MS检测抗菌药样品中元素杂质含量
- 交易|表面耐腐蚀合金等离子堆焊的性能分析
